Product Summary
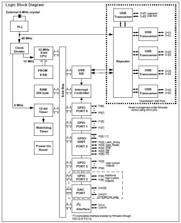
The CY7C66113C-LTXC is a Full-Speed USB (12 Mbps) Peripheral Controller with Integrated Hub. The CY7C66113C-LTXC is well-suited for combination peripheral functions with hubs, such as a keyboard hub function. The eight-bit one-time-programmable microcontroller with a 12-Mbps USB Hub supports as many as four downstream ports.
Parametrics
CY7C66113C-LTXC absolute maximum ratings: (1)Storage Temperature: –65℃ to +150℃; (2)Ambient Temperature with Power Applied: 0℃ to +70℃; (3)Supply Voltage on VCC relative to VSS: –0.5V to +7.0V; (4)DC Input Voltage: –0.5V to +VCC + 0.5V; (5)DC Voltage Applied to Outputs in High-Z State: –0.5V to +VCC + 0.5V; (6)Power Dissipation: 500 mW; (7)Static Discharge Voltage: > 2000V; (8)Latch-up Current: > 200 mA; (9)Max Output Sink Current into Port 0, 1, 2, 3, and DAC[1:0] Pins: 60 mA; (10)Max Output Sink Current into DAC[7:2] Pins: 10 mA; (11)Max Output Source Current from Port 1, 2, 3, 4: 30 mA.
Features
CY7C66113C-LTXC features: (1)Full-speed USB peripheral microcontroller with an integrated USB hub: Well-suited for USB compound devices such as a keyboard hub function; (2)8-bit USB optimized microcontroller: Harvard architecture, 6-MHz external clock source, 12-MHz internal CPU clock, 48-MHz internal Hub clock; (3)Internal memory: 256 bytes of RAM, 8 KB of PROM; (4)Integrated Master/Slave I2C-compatible controller (100 kHz) enabled through General-purpose I/O (GPIO) pins; (5)Hardware-assisted Parallel Interface (HAPI) for data transfer to external devices.
Diagrams

| Image | Part No | Mfg | Description | ![]() |
Pricing (USD) |
Quantity | ||||||||||||
|---|---|---|---|---|---|---|---|---|---|---|---|---|---|---|---|---|---|---|
![]() |
![]() CY7C66113C-LTXC |
![]() Cypress Semiconductor |
![]() 8-bit Microcontrollers (MCU) 8K 4 port USB hub |
![]() Data Sheet |
![]()
|
|
||||||||||||
![]() |
![]() CY7C66113C-LTXCT |
![]() Cypress Semiconductor |
![]() 8-bit Microcontrollers (MCU) 8K 4 port USB hub |
![]() Data Sheet |
![]()
|
|
||||||||||||
(China (Mainland))










